EN
DE
FR
IT
ES

I like to have your agreement to use cookies for this website

EN
DE
FR
IT
ES
While using this website, data is collected using various technologies. Technologies like: usage monitoring and traffic analyzing technologies. Some information is stored in cookies. Cookies are text files that are stored on your computer while you surf the Internet. The privacy policy of this website contains additional information on the protection of your data. Only technically necessary cookies are used.
To popup this window again, click the cookies - button in the footer section of the active page.
impressum
privacy policy
i do not share or sell your personal data
 
Page:
changes to earlier versions:

server platform changed (cost reduction)
domain name changed (cost reduction)
shop removed (work load reduction)

the transformation has taken a while
i apologize for any inconvenience

some content was created using google translator
PTE10011
SI N-MOSFET transistor
UDS
65V
IDS
-
UGS
±20V
RDSON
-
TJ
200°C
Ptot
28W
the PTE10011 is a N - channel MOSFET transistor preferred for use in large signal amplifier applications up to 1.5GHz
marking code: E10011
Advanced Information for PTE10011
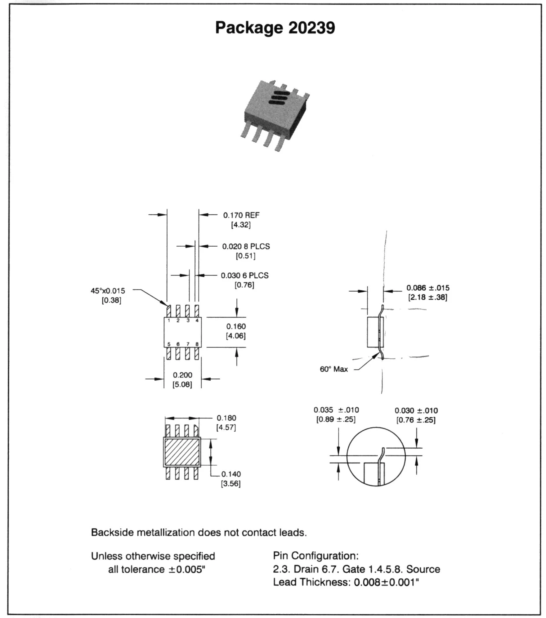
Package:
PTE10011 Info:
-
PTE10011 datasheet (pdf):
-
-
-
complementary type:
-
similar type list:
-
similar type search:
PTE10011
SI N-MOSFET transistor
UDS
65V
IDS
-
UGS
±20V
RDSON
-
TJ
200°C
Ptot
28W
the PTE10011 is a N - channel MOSFET transistor preferred for use in large signal amplifier applications up to 1.5GHz
marking code: E10011
Advanced Information for PTE10011
Package:
PTE10011 Info:
-
PTE10011 datasheet (pdf):
-
-
-
complementary type:
-
similar type list:
-
similar type search:
agb