EN
DE
FR
IT
ES

I like to have your agreement to use cookies for this website

EN
DE
FR
IT
ES
While using this website, data is collected using various technologies. Technologies like: usage monitoring and traffic analyzing technologies. Some information is stored in cookies. Cookies are text files that are stored on your computer while you surf the Internet. The privacy policy of this website contains additional information on the protection of your data. Only technically necessary cookies are used.
To popup this window again, click the cookies - button in the footer section of the active page.
impressum
privacy policy
i do not share or sell your personal data
 
Page:
changes to earlier versions:

server platform changed (cost reduction)
domain name changed (cost reduction)
shop removed (work load reduction)

the transformation has taken a while
i apologize for any inconvenience

some content was created using google translator

AVS08


Package TO-220AB
elec. switch circuit
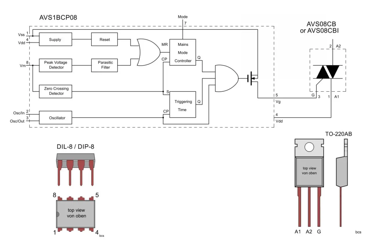
the AVS08 is an automatic voltage switch for SMPS < 200W contains a controller DIP-8 integrated circuit as well as a Triac
Picture: -
Source: datasheet
Advanced Information for AVS08

OEM:SGS Thomson
Package: TO-220AB
AVS08 Info: available
AVS08 datasheet (pdf): -
- -
complementary type:-
similar type list:-
search a part: search

AVS08


Package TO-220AB
elec. switch circuit
the AVS08 is an automatic voltage switch for SMPS < 200W contains a controller DIP-8 integrated circuit as well as a Triac
Picture: -
Source: datasheet
Advanced Information for AVS08

OEM:SGS Thomson
Package: TO-220AB
AVS08 Info: available
AVS08 datasheet (pdf): -
- -
complementary type:-
similar type list:-
search a part: search
agb