EN
DE
FR
IT
ES

Me gustarîa tener su consentimiento para utilazar cookies en este sitio web

EN
DE
FR
IT
ES
Los datos de uso se recopilan cuando utiliza este sitio web. Estos pueden ser: registros de uso y análisis de tráfico. Si está de acuerdo, esto se almacenará en una cookie. Las cookies son archivos de configuración que se almacenan en tu ordenador mientras navegas por Internet. La declaración de protección de datos contiene la información relevante sobre la protección de datos en este sitio web.
Si desea cambiar su consentimiento más adelante, haga clic en el botón cookies en la sección de pie de página de esta página.
Impressum
declaración de protección
No comparto ni vendo tus datos personales.
 
Página:
changes to earlier versions:

server platform changed (cost reduction)
domain name changed (cost reduction)
shop removed (work load reduction)

the transformation has taken a while
i apologize for any inconvenience

some content was created using google translator

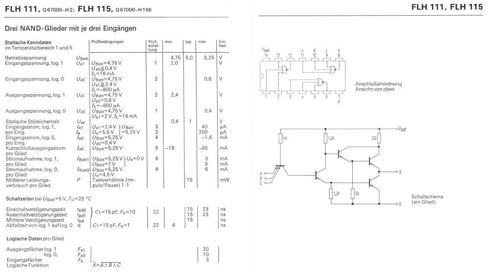
FLH115


Package DIP-14
logic circuit
the FLH115 is a triple nand with 3 input device (8410)
Foto: -
Fuente:
Siemens Integrierte... [más]
Información avanzada para FLH115

OEM:Siemens AG
Paquete: DIP-14
FLH115 Info: disponible
FLH115 Hoja de datos (pdf): -
- -
Tipo complementario:-
Lista de tipos similares:-
buscar una parte: buscar

FLH115


Package DIP-14
logic circuit
the FLH115 is a triple nand with 3 input device (8410)
Foto: -
Fuente:
Siemens Integrierte... [más]
Información avanzada para FLH115

OEM:Siemens AG
Paquete: DIP-14
FLH115 Info: disponible
FLH115 Hoja de datos (pdf): -
- -
Tipo complementario:-
Lista de tipos similares:-
buscar una parte: buscar
agb