EN
DE
FR
IT
ES

I like to have your agreement to use cookies for this website

EN
DE
FR
IT
ES
While using this website, data is collected using various technologies. Technologies like: usage monitoring and traffic analyzing technologies. Some information is stored in cookies. Cookies are text files that are stored on your computer while you surf the Internet. The privacy policy of this website contains additional information on the protection of your data. Only technically necessary cookies are used.
To popup this window again, click the cookies - button in the footer section of the active page.
impressum
privacy policy
i do not share or sell your personal data
 
Page:
changes to earlier versions:

server platform changed (cost reduction)
domain name changed (cost reduction)
shop removed (work load reduction)

the transformation has taken a while
i apologize for any inconvenience

some content was created using google translator

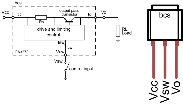
CA3273


Package OEM specific
driver circuit
the CA3273 is a power IC equivalent of a PNP pass transistor operated as a high side driver current switch in either the saturated (ON) or cutoff (OFF) modes.
Picture: -
Source:
Harris Databook Powe... [more]
Advanced Information for CA3273

OEM:Harris
Package: modified TO-202
CA3273 Info: available
CA3273 datasheet (pdf): -
- -
complementary type:-
similar type list:-
search a part: search

CA3273


Package OEM specific
driver circuit
the CA3273 is a power IC equivalent of a PNP pass transistor operated as a high side driver current switch in either the saturated (ON) or cutoff (OFF) modes.
Picture: -
Source:
Harris Databook Powe... [more]
Advanced Information for CA3273

OEM:Harris
Package: modified TO-202
CA3273 Info: available
CA3273 datasheet (pdf): -
- -
complementary type:-
similar type list:-
search a part: search
agb